产品概述 海洋之神HY590
紧凑型三相三线线路滤波器
- 全系输出接线端采用端子式设计。
- 额定电流1~30A
- 两级滤波器
- 典型衰减:0.1MHz~30MHz
- 非常高的差模和共模衰减
- 可选医用版本(B版本)
- 可选安全版本(A版本)
特点和优点
-
极其紧凑和纤薄的滤波器设计,即使在可用安装空间很小的情况下,也能实现无障碍安装。
-
FN 2090 B 版本符合医疗设备的要求。
-
FN 2090 A版本低电容,用于安全关键应用,要求低泄漏电流。
典型应用
-
电气和电子设备
-
建筑自动化
-
医疗器械
-
电子数据处理设备及数据控制设备
电气参数
-
额定电压:
250 VAC, 50/60 Hz
250 VDC
-
频率:
DC 至 400Hz
-
额定电流:
7 至 30 A
-
防护等级:
IP20
-
温度范围(运行和存储)
-25°C to +100°C (25/100/21)
-
耐压测试
P –> N 1100 VDC for 2 sec
P –> PE 2550 VDC for 2 sec
P –> PE 2000 VAC for 2 sec
P –> PE 2500 VAC for 2 sec (B 系列)
-
设计标准:
IEC/EN 60939
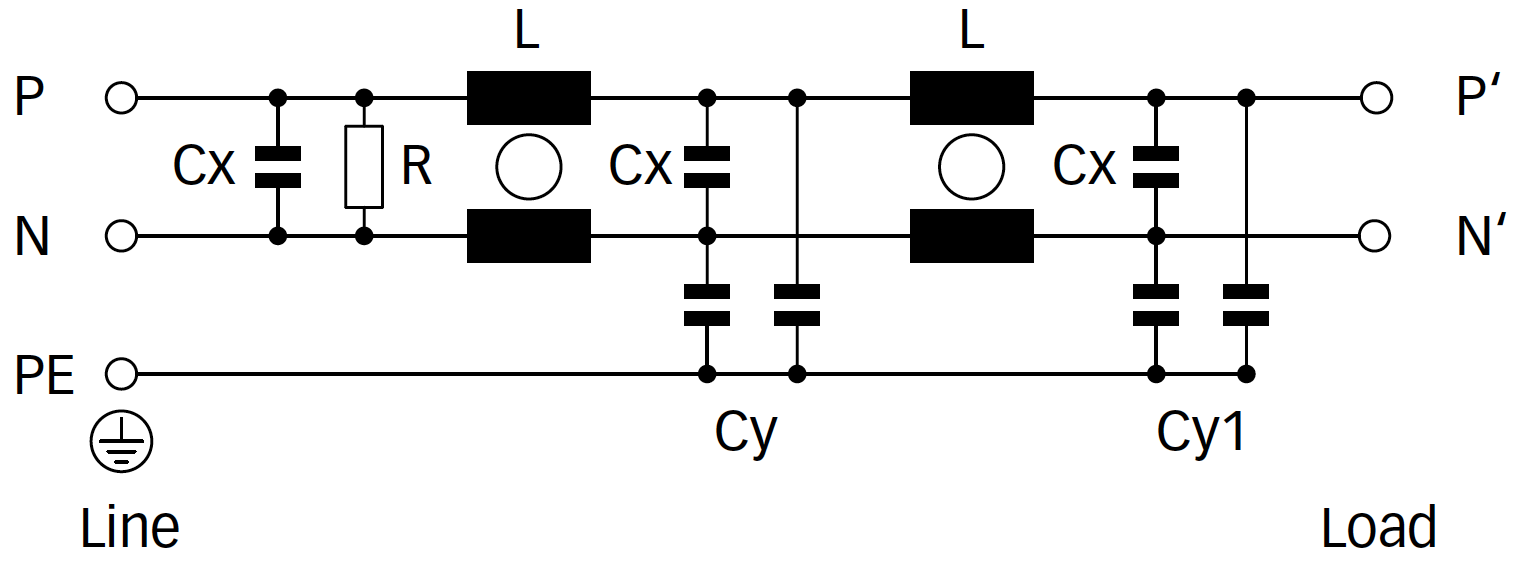
典型电气原理图
海洋之神HY590